Мотор-редукторы ПР 317 по выгодной цене от производителя в Набережных Челнах

Мотор-редукторы ПР 317

Характеристики:
  • Мощность двигателя, кВт от 0.25 до 11.00
  • Обороты на выходе n вых, об/мин от 4.4 до 199.0
  • Передаточное число, U от 7.2 до 192.2
Все характеристики
Оставить заявку
Возможна поставка только редукторной части без электродвигателя. Уточняйте у менеджеров более подробную информацию.

Полный аналог редукторов мировых брендов

  • 95% совместимость без доработок
  • Цена выгоднее на 30-40%
  • Срок производства 3-7 дней
Получите бесплатную консультацию по подбору оборудования
Номер для связи:
WhatsApp и Telegram
Описание
Характеристики
Подобрать редуктор
Доставка и оплата
3D модель
Аналоги
Техническая документация
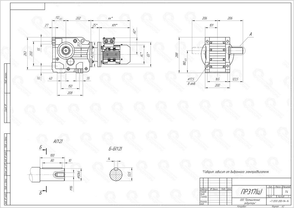
Чертеж

Универсальные коническо-цилиндрические мотор-редукторы ПР 317 предназначены для применения в приводах различных машин и механизмах для изменения крутящих моментов и частоты вращения.

При использовании электродвигателей с числом оборотов 3000 об/мин со всеми передаточными числами и 1500 об/мин с передаточными числами редуктора до 15 возможно появление повышенного шума и вибрации. Рекомендуем не использовать данные сочетания оборотов электродвигателя и передаточных чисел.

Мощность двигателя, кВт от 0.25 до 11.00
Обороты на выходе n вых, об/мин от 4.4 до 199.0
Передаточное число, U от 7.2 до 192.2
Консольная нагрузка Fном, Н от 13100 до 19900
Сервис-фактор, Sfном от 0.8 до 4.2
Обороты двигателя n вх, об/мин от 700 до 1400
Тип
Коническо-цилиндрический
Выбрать...
Габарит редуктора
ПР 317
ПР 317 ПР 113
Выбрать...
Мощность двигателя, кВт
От
До
Обороты на выходе n вых, об/мин
От
До
Крутящий момент на вых. валу Тном, Нхм
От
До
Передаточное число, U
От
До
Консольная нагрузка Fном, Н
От
До
Сервис-фактор, Sfном
От
До
Обороты двигателя n вх, об/мин
От
До
Доставка

Сроки: Доставка по России в среднем занимает от 3 до 10 рабочих дней, но может варьироваться в зависимости от региона. Для удалённых регионов, таких как Западная Якутия, сроки согласовываются индивидуально.

Условия отгрузки: Отгрузка с производства и передача в транспортную компанию осуществляется в день готовности заказа.

Способы доставки: Доставка осуществляется исключительно транспортными компаниями. Бесплатно доставляем заказ до терминала ТК.

Стоимость доставки: Рассчитывается индивидуально и зависит от региона, веса и габаритов товара.

Оплата

Способы оплаты: Только безналичный расчёт.

Оплата производится согласно согласованным условиям поставки.

Если требуется дополнительная информация, уточните у нашего менеджера!

Доступные способы доставки

  1. Доставка до терминала в городе получателя

    Вы выбираете нужную транспортную компанию, мы отправляем заказ, а вы забираете его с ближайшего терминала в вашем городе. Это удобно, если рядом с вами есть отделение — можно забрать в удобное время и не переплачивать за адресную доставку.

  2. Адресная доставка до получателя

    Не нужно думать, как организовать перевозку тяжелого оборудования — мы всё сделаем за вас. Привезём редуктор точно по адресу: на производство или прямо на объект. Учитываем особенности груза и условия транспортировки, чтобы доставка прошла быстро, удобно и без лишней суеты.

  3. Самовывоз с терминала Деловые Линий или ПЭК в Челябинске

    Для клиентов из Челябинска доступен самовывоз с терминала транспортной компании. Информация о дате и точке выдачи передаётся заранее. Процесс организован максимально просто и понятно: получение груза — без задержек и лишних действий.

Транспортные компании

Справочник характеристик габарита и веса моделей ПР

Чтобы получить данные по габаритам и весу редукторов серии ПР, воспользуйтесь справочником характеристик габарита и веса моделей ПР.

Посчитайте предварительную стоимость доставки редуктора.

Общий объем: 0 м3
Общая масса: 0 кг
Тип редуктора Количество Габаритные размеры, мм Объем, м³ Масса, кг
L В Н
ПР313 без двигателя 353 259 279 0.0260 18
ПР313 с двигателем 519 259 290.50 0.0400 41
ПР314 без двигателя 400 285 300.30 0.0340 27
ПР314 с двигателем 566 285 309.80 0.0500 50
ПР315 без двигателя 477 327 357.90 0.0560 33
ПР315 с двигателем 653 327 367.90 0.0790 72
ПР316 без двигателя 483 343 359 0.0600 39
ПР316 с двигателем 659 343 369 0.0830 78
ПР317 без двигателя 584 417 422.70 0.1030 69
ПР317 с двигателем 770 417 426.70 0.1370 152.50
ПР318 без двигателя 700 470 515.10 0.1700 109
ПР318 с двигателем 952 470 559.10 0.2500 279
ПР319 без двигателя 770 532 558.70 0.2300 182
ПР319 с двигателем 1162 532 651.70 0.4000 362
ПР3110 без двигателя 849 611 664 0.3400 309
ПР3110 с двигателем 1226 611 719 0.5400 557
ПР3112 без двигателя 998 830 920 0.76 452
ПР3112 с двигателем 1718 830 1030 1.47 792
ПР3115 без двигателя 1034 920 1114 1.06 715
ПР3115 с двигателем 2189 920 1240 2.49 1935
ПР3116 без двигателя 1163 1080 1450 1.82 1035
ПР3116 с двигателем 2318 1080 1597 3.99 2255
ПР3118 без двигателя 1320 1280 1510 2.55 1615
ПР3118 с двигателем 2475 1280 1689 5.35 2835
ПР314/113 без двигателя 740 285 300.3 0.06 47.78
ПР314/113 с двигателем 1040 285 300.3 0.09 71
ПР315/113 без двигателя 817 238 357.9 0.07 53.78
ПР315/113 с двигателя 1117 238 357.9 0.095 77
ПР316/113 без двигателя 823 343 359 0.1 59.78
ПР316/113 с двигателем 1123 343 369 0.14 83
ПР317/113 без двигателя 924 417 422.7 0.16 89.78
ПР317/113 с двигателем 1224 417 422.7 0.26 113
ПР318/115 без двигателя 1140 470 515.1 0.27 145.8
ПР318/115 с двигателем 1540 470 515.1 0.37 215.8
ПР319/115 без двигателя 1210 532 558.7 0.36 218.8
ПР319/115 с двигателем 1610 532 558.7 0.48 288.8
ПР3110/117 без двигателя 1379 611 664 0.56 362.8
ПР3110/117 с двигателем 1799 611 664 0.73 446.3
ПР3112/117 без двигателя 1528 830 920 1.17 505.8
ПР3112/117 с двигателем 1948 830 920 1.49 589.3
ПР3112/118 без двигателя 1598 830 920 1.22 550.8
ПР3112/118 с двигателем 2118 830 920 1.62 720.8
ПР3115/119 без двигателя 1744 920 1114 1.79 865
ПР3115/119 с двигателем 2314 920 1114 2.37 1055
ПР3115/1110 без двигателя 1814 920 1114 1.86 914.7
ПР3115/1110 с двигателем 2474 920 1114 2.53 1184.7
ПР3116/119 без двигателя 1873 1080 1450 2.93 1185
ПР3116/119 с двигателем 2443 1080 1450 3.82 1375
ПР3116/1110 без двигателя 1943 1080 1450 3.04 1234.7
ПР3116/1110 с двигателем 2306 1080 1450 3.61 1504.7
ПР3118/1110 без двигателя 2100 1280 1510 4.06 1814.7
ПР3118/1110 с двигателем 2760 1280 1510 5.33 2084.7

Чертеж в разобранном виде

Foto_310
  1. Электродвигатель
  2. Шпонка
  3. Гайка
  4. Винт
  5. Шпилька
  6. Ведущая шестерня
  7. Стопорное кольцо для шестерни
  8. Стопорное кольцо зубчатого колеса
  9. Кольцо
  10. Зубчатое колесо
  11. Подшипник
  12. Кольцо стопорное для подшипника
  13. Пробка масляная
  14. Подшипник
  15. Кольцо
  16. Кольцо стопорное
  17. Крышка подшипника
  18. Пробка масляная
  19. Подшипник
  20. Кольцо
  21. Уплотнение на выходном валу
  22. Кольцо стопорное
  23. Пробка масляная
  24. Пробка масляная
  25. Пробка масляная
  26. Винт крепления крышки
  27. Крышка
  28. Прокладка
  29. Вал шестерня
  30. Шпонка
  31. Подшипник
  32. Корпус редуктора
  33. Масляная сливная пробка
  34. Масляная сливная пробка
  35. Шпонка
  36. Выходной вал
  37. Зубчатое колесо выходное
  38. Дистанционное кольцо
  39. Подшипник
  40. Кольцо
  41. Кольцо стопорное
  42. Выходной фланец
  43. Винт для крепежа фланца
  44. Уплотнение на выходном валу
  45. Стопорное кольцо
  46. Крышка подшипника
  47. Кольцо
  48. Подшипник
  49. Вал-шестерня
  50. Зубчатое колесо
  51. Шпонка
  52. Прокладка

Коническо-цилиндрический мотор-редуктор ПР 317. Полый выходной вал со шпоночным пазом. Монтаж редуктора c помощью крепежных отверстий на корпусе редуктора, либо на вал оборудования

Коническо-цилиндрический мотор-редуктор ПР 317. Полый выходной вал со шпоночным пазом. Монтаж редуктора c помощью крепежных отверстий на корпусе редуктора, либо на вал оборудования

Коническо-цилиндрический мотор-редуктор ПР 317. Полый выходной вал со шпоночным пазом. Монтаж редуктора с помощью фланца на выходном валу (типоразмер выходного фланца B5)

Коническо-цилиндрический мотор-редуктор ПР 317. Полый выходной вал со шпоночным пазом. Монтаж редуктора с помощью фланца на выходном валу (типоразмер выходного фланца B5)

Коническо-цилиндрический мотор-редуктор ПР 317. Выходной цилиндрический вал. Монтаж редуктора с помощью фланца на выходном валу (типоразмер выходного фланца B5)

Коническо-цилиндрический мотор-редуктор ПР 317. Выходной цилиндрический вал. Монтаж редуктора с помощью фланца на выходном валу (типоразмер выходного фланца B5)

Коническо-цилиндрический мотор-редуктор ПР 317. Полый выходной вал со шпоночным пазом. Монтаж редуктора c помощью крепежных сквозных отверстий на корпусе редуктора, либо на вал оборудования

Коническо-цилиндрический мотор-редуктор ПР 317. Полый выходной вал со шпоночным пазом. Монтаж редуктора c помощью крепежных сквозных отверстий на корпусе редуктора, либо на вал оборудования

Коническо-цилиндрический мотор-редуктор ПР 317. Полый выходной вал со шпоночным пазом. Монтаж редуктора с помощью фланца на выходном валу (типоразмер выходного фланца B14)

Коническо-цилиндрический мотор-редуктор ПР 317. Полый выходной вал со шпоночным пазом. Монтаж редуктора с помощью фланца на выходном валу (типоразмер выходного фланца B14)

Коническо-цилиндрический мотор-редуктор ПР 317. Выходной цилиндрический вал. Монтаж редуктора c помощью крепежных сквозных отверстий на корпусе редуктора, либо на вал оборудования

Коническо-цилиндрический мотор-редуктор ПР 317. Выходной цилиндрический вал. Монтаж редуктора c помощью крепежных сквозных отверстий на корпусе редуктора, либо на вал оборудования

Аналог редукторов

Мотор-редукторы ПР 317 — это высококлассный аналог редукторов ведущих мировых брендов, таких как Sew-Eurodrive, Bauer, Bonfiglioli, Motovario и Nord. Он сочетает надёжность, долговечность и совместимость с большинством промышленных установок, обеспечивая эффективную замену импортных моделей.

Ключевые преимущества редукторов серии ПР

Закалённые шестерни - твёрдость 56-62 HRC
Высокочастотная закалка и цементация повышают прочность и износостойкость зубчатых передач.
Идеальная геометрия зацепления - 6-я степень точности
Шлифовка зубьев обеспечивает высокую точность зацепления (6-я степень), снижает шум и вибрации и делает работу редуктора более плавной и стабильной.
Долговечность - 7-10 лет срока службы
Средний срок эксплуатации редукторов серии ПР составляет 7–10 лет 
при правильной эксплуатации.
Инженерная поддержка 
и документация
Предоставляем 3D-модели, подробную техническую документацию и чертежи 
на нашу продукцию - удобно для проектирования, согласований 
и замены оборудования.

Команда экспертов
по приводной технике

Наши менеджеры специализируются на подборе редукторов под ваши задачи. В среднем 4 из 5 технических вопросов вы сможете решить напрямую с персональным менеджером. Если ситуация требует более глубокого анализа - мы оперативно подключаем инженера.

Мы не просто продаём редукторы — нам доверяют, потому что решаем задачи быстро и точно

Быстрый и беcплатный подбор редукторов от 1 часа
Быстрый и беcплатный подбор редукторов от 1 часа
Расчеты делают инженеры с опытом 10+ лет в отрасли.
Доставка точно в срок
Доставка точно в срок
Бесплатно упакуем в усиленную обрешетку
и доставим до терминала ТК.
Гарантия 24 месяцев и полная ответственность за заводской брак
Гарантия 24 месяцев и полная ответственность за заводской брак
Осуществим ремонт и послепродажное обслуживание.

Фото отгрузок

Вопрос-ответ

Какие меры необходимы для увеличения срока службы редуктора?
Для продления срока службы редуктора рекомендуется соблюдать режимы работы, регулярно проводить техническое обслуживание и использовать рекомендованное масло. Наши редукторы поставляются с инструкциями по обслуживанию, чтобы обеспечить надежную и долговечную работу.
Как выбрать редуктор, подходящий для конкретного оборудования?
При выборе редуктора важно учитывать такие параметры, как мощность, передаточное число, тип нагрузки и условия эксплуатации. Наши специалисты помогут вам подобрать оптимальный редуктор для вашего оборудования, учитывая все особенности и требования.

Читайте наши статьи о мотор-редукторах и их применении

Подберём редуктор под вашу задачу
80% технических вопросов решаются сразу, при необходимости быстро подключаем инженера.

Оставьте свои контактные данные и наши специалисты свяжутся с вами в течение 15 минут.
Оформить заявку
Максим Новиков
Менеджер по подбору редукторов с опытом более 5 лет.

Мы используем cookies

Мы используем cookies для улучшения работы сайта и предоставления персонализированного контента. Продолжая использовать наш сайт, вы соглашаетесь на использование cookies. Подробности можно найти в Политике конфиденциальности.