Мотор-редукторы серии ПР (Аналог серии К)
Коническо-цилиндрические мотор-редукторы серии ПР3 (аналог серии К) — это высокоэффективные приводы, сочетающие компактные размеры, надежность и высокие передаточные характеристики.
Они применяются в самых разных отраслях промышленности, где требуется надежная передача мощности в условиях ограниченного пространства.
Полный аналог редукторов мировых брендов
- 95% совместимость без доработок
- Цена выгоднее на 30-40%
- Срок производства 3-7 дней
Срочный подбор, расчет и замена старого редуктора. Без простоев и переплат
Гарантия до 24 месяцев и постпродажное обслуживание редуктора
Срок изготовления от 3х дней. Бесплатная доставка до терминала ТК
Мотор-редукторы ПР 3118
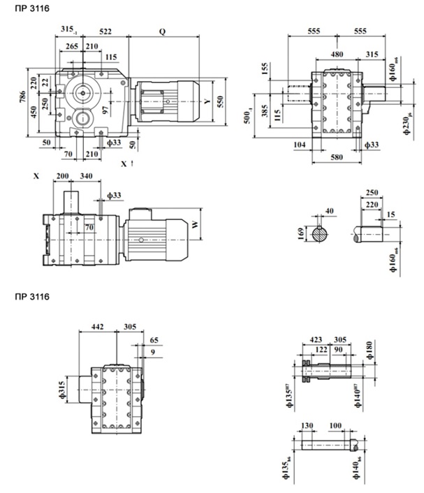
Мотор-редукторы ПР 3116
Мотор-редукторы ПР 3115
Мотор-редукторы ПР 3112
Мотор-редукторы ПР 3110
Мотор-редукторы ПР 313
Мотор-редукторы ПР 314
Мотор-редукторы ПР 315
Мотор-редукторы ПР 316
Мотор-редукторы ПР 317
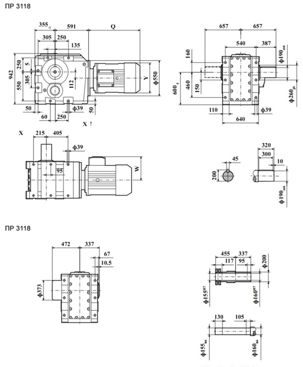
Мотор-редукторы ПР 318
Мотор-редукторы ПР 319
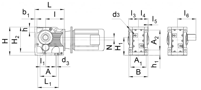
Габарит редуктора |
L |
L1 |
L2 |
l |
l1 |
l2 |
l3 |
l4 |
l5 |
l6 |
l7 |
H |
H1 |
|||||||||
ПР 313 |
210 | 147 | - | 139 | 35 | 97 | 60 | 60 | 2,5 | 110 | 84 | 164 | 100-0,5 |
|||||||||
ПР 314 |
243 | 170 | - | 166 | 40 | 115 | 75 | 75 | 3 | 135 | 100 | 185 | 112-0,5 |
|||||||||
ПР 314 / 113 |
243 | 170 | 165 | 166 | 40 | 115 | 75 | 75 | 3 | 135 | 100 | 185 | 112-0,5 |
|||||||||
ПР 315 |
269 | 182 | - | 173 | 47 | 120 | 83 | 83 | 3 | 153 | 106,5 | 215 | 132-0,5 |
|||||||||
ПР 315 / 113 |
269 | 182 | 165 | 173 | 47 | 120 | 83 | 83 | 3 | 153 | 106,5 | 215 | 132-0,5 |
|||||||||
ПР 316 |
274 | 182 | - | 179 | 42 | 125 | 90 | 90 | 3,5 | 171 | 113 | 226 | 140-0,5 |
|||||||||
ПР 316 / 113 |
274 | 182 | 165 | 179 | 42 | 125 | 90 | 90 | 3,5 | 171 | 113 | 226 | 140-0,5 |
|||||||||
ПР 317 |
312 | 204 | - | 202 | 48 | 139 | 105 | 105 | 4 | 206 | 142 | 286 | 180-0,5 |
|||||||||
ПР 317 / 113 |
312 | 204 | 157 | 202 | 48 | 139 | 105 | 105 | 4 | 206 | 142 | 286 | 180-0,5 |
|||||||||
ПР 318 |
390 | 280 | - | 257 | 65 | 190 | 120 | 120 | 4 | 240 | 150 | 338 | 212-0,5 |
|||||||||
ПР 318 / 115 |
390 | 280 | 187 | 257 | 65 | 190 | 120 | 120 | 4 | 240 | 150 | 338 | 212-0,5 |
|||||||||
ПР 319 |
435 | 298 | - | 277 | 83 | 190 | 150 | 150 | 4 | 291 | 191,5 | 414 | 265-1,0 |
|||||||||
ПР 319 / 115 |
435 | 298 | 187 | 277 | 83 | 190 | 150 | 150 | 4 | 291 | 191,5 | 414 | 265-1,0 |
|||||||||
ПР 3110 |
537 | 370 | - | 341 | 100 | 230 | 175 | 175 | 4,5 | 347 | 216 | 500 | 315-1,0 |
|||||||||
ПР 3110 / ПР 117 |
537 | 370 | 247 | 341 | 100 | 230 | 175 | 175 | 4,5 | 347 | 216 | 500 | 315-1,0 |
|||||||||
ПР 3112 |
615 | 440 | - | 390 | 115 | - | 205 | 205 | 2,5 | 418 | 256 | 592 | 375-1,0 |
|||||||||
ПР 3112 / ПР 117 |
615 | 440 | 232 | 390 | 115 | - | 205 | 205 | 2,5 | 418 | 256 | 592 | 375-1,0 |
|||||||||
ПР 3112 / ПР 118 |
615 | 440 | 280 | 390 | 115 | - | 205 | 205 | 2,5 | 418 | 256 | 592 | 375-1,0 |
|||||||||
ПР 3115 |
706 | 480 | - | 426 | 140 | - | 250 | 250 | 3 | 457 | 310 | 705 | 450-1,0 |
|||||||||
ПР 3115 / ПР 119 |
706 | 480 | 325 | 426 | 140 | - | 250 | 250 | 3 | 457 | 310 | 705 | 450-1,0 |
|||||||||
ПР 3115 / ПР 1110 |
706 | 480 | 382 | 426 | 140 | - | 250 | 250 | 3 | 457 | 310 | 705 | 450-1,0 |
|||||||||
Габарит редуктора |
A |
A1 |
B |
N |
D |
d |
b |
d1 |
4 отв. d2 |
8 отв. d2 |
m x n |
p x q |
||||||||||
ПР 313 |
117 | 60 | 100 | 8,5 | 160 | 110j6 | 10 | 130 | 9 | - | М10 х 20 | М8 х 12 | ||||||||||
ПР 314 |
140 | 70 | 110 | 7,2 | 200 | 130j6 | 10 | 165 | 11 | - | М10 х 20 | М8 х 12 | ||||||||||
ПР 315 |
152 | 88 | 122 | 13,1 | 250 | 180j6 | 15 | 215 | 13,5 | - | М12 х 25 | М12 х 20 | ||||||||||
ПР 316 |
152 | 88 | 130 | 20 | 250 | 180j6 | 15 | 215 | 13,5 | - | М12 х 25 | М12 х 20 | ||||||||||
ПР 317 |
170 | 102 | 154 | 31,3 | 300 | 230j6 | 16 | 265 | 13,5 | - | М16 х 32 | М12 х 20 | ||||||||||
ПР 318 |
225 | 118 | 170 | 25,9 | 350 | 250h6 | 18 | 300 | 17,5 | - | М16 х 32 | М16 х 26 | ||||||||||
ПР 319 |
248 | 160 | 226 | 32,3 | 450 | 350h6 | 22 | 400 | - | 17,5 | М20 х 36 | М16 х 26 | ||||||||||
ПР 3110 |
290 | 190 | 266 | 52 | 450 | 350h6 | 25 | 400 | - | 17,5 | М24 х 44 | М20 х 30 | ||||||||||
ПР 3112 |
350 | 330 | 400 | 53 | 550 | 430h6 | 22 | 500 | - | 17.5 | - | М20 х 28 | ||||||||||
ПР 3115 |
380 | 420 | 500 | 71,7 | 660 | 530h6 | 28 | 600 | - | 22 | - | M24 х 36 | ||||||||||
- корпус В
Габарит редуктора |
L |
L1 |
l |
l1 |
l3 |
l4 |
l5 |
l6 |
b1 |
d3 |
ПР 313 |
202 | 143 | 139 | 28 | 60 | 60 | - | 110 | 16 | 11 |
ПР 314 |
237 | 162 | 166 | 35 | 78 | 75 | 3 | 135 | 18 | 11 |
ПР 315 |
253 | 172 | 173 | 30 | 86 | 83 | 3 | 153 | 21 | 13,5 |
ПР 316 |
269 | 170 | 179 | 30 | 93 | 90 | 3,5 | 171 | 24 | 13,5 |
ПР 317 |
314 | 208 | 202 | 40 | 108 | 105 | 4 | 206 | 27 | 17,5 |
ПР 318 |
389 | 260 | 257 | 55 | 123 | 120 | 4 | 240 | 32 | 22 |
ПР 319 |
437 | 294 | 277 | 75 | 153 | 150 | 4 | 291 | 36 | 26 |
ПР 3110 |
541 | 380 | 341 | 95 | 178 | 175 | 2,5 | 347 | 40 | 33 |
Габарит редуктора |
A |
A1 |
A2 |
B |
H |
H1 |
H2 |
h |
h1 |
N |
ПР 313 |
110 | 100 | 115 | 120 | 165 | 100 | 150 | 37 | 32 | 8,5 |
ПР 314 |
130 | 120 | 130 | 145 | 185 | 112 | 170 | 37 | 37 | 7,2 |
ПР 315 |
130 | 130 | 150 | 157 | 217 | 132 | 190 | 43 | 45 | 13,1 |
ПР 316 |
120 | 140 | 160 | 170 | 228 | 140 | 203 | 43 | 45 | 20 |
ПР 317 |
150 | 165 | 200 | 200 | 288 | 180 | 263 | 55 | 55 | 31,5 |
ПР 318 |
180 | 180 | 233 | 230 | 340 | 212 | 305 | 67 | 70 | 25,9 |
ПР 319 |
240 | 240 | 295 | 290 | 417 | 265 | 372 | 82 | 75 | 32,3 |
ПР 3110 |
280 | 270 | 360 | 340 | 506 | 315 | 448 | 98 | 95 | 52 |
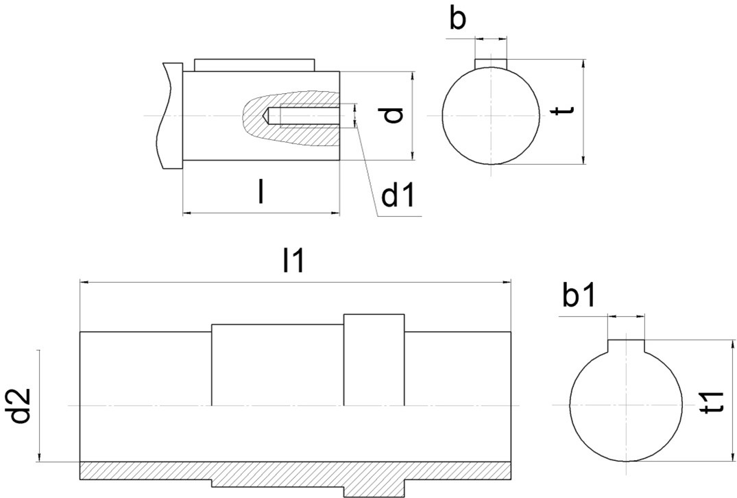
- цилиндрический выходной вал (полый, цельный)
Габарит редуктора |
l |
d |
d1 |
b |
t |
l1 |
d2 |
b1 |
t1 |
ПР 313 корпус А / корпус В |
50 | 25k6 | M10 х 25 | 8 | 28 | 120 | 30H7 / 25Н7 | 8 | 33.3 / 28 |
ПР 314 |
60 | 30k6 | M12 х 30 | 8 | 33 | 150 | 35H7 | 10 | 38.3 |
ПР 315 |
70 | 35k6 | M16 х 40 | 10 | 38 | 166 | 40H7 | 12 | 43.3 |
ПР 316 |
80 | 40k6 | M16 х 40 | 12 | 43 | 180 | 40H7 | 12 | 43.3 |
ПР 317 |
100 | 50k6 | M16 х 45 | 14 | 53.5 | 210 | 50H7 | 14 | 53.8 |
ПР 318 |
120 | 60m6 | M20 х 50 | 18 | 64 | 240 | 60H7 | 18 | 64.4 |
ПР 319 |
140 | 70m6 | M20 х 50 | 20 | 74.5 | 300 | 70H7 | 20 | 74.9 |
ПР 3110 |
170 | 90m6 | M24 х 60 | 25 | 95 | 350 | 90H7 | 25 | 95.4 |
ПР 3112 |
210 | 110m6 | М24 x 60 | 28 | 116 | 410 | 100Н7 | 28 | 106,4 |
ПР 3115 |
210 | 120m6 | М24 х 60 | 32 | 127 | 500 | 120Н7 | 32 | 127,4 |
- полый выходной вал со шлицевым пазом
Габарит редуктора |
l |
l1 |
l2 |
l3* |
d1* |
H* |
dH* |
S* |
ПР 313 |
120 | 18 | 25 | 85 | 37+0,1 |
30х1,25х30х22 | 33,03 -0,03 |
М10 |
ПР 314 |
150 | 18 | 32 | 115 | 37+0,1 |
35х2х30х16 | 38,92 -0,03 |
М10 |
ПР 315 |
166 | 18 | 32 | 130 | 37+0,1 |
35х2х30х16 | 38,92 -0,03 |
М10 |
ПР 316 |
180 | 25 | 42 | 130 | 47+0,1 |
45х2х30х21 | 48,85 -0,03 |
М16 |
ПР 317 |
210 | 23 | 52 | 160 | 55+0,1 |
50х2х30х24 | 54,13 -0,03 |
М16 |
ПР 318 |
240 | 25 | 62 | 180 | 72+0,1 |
65х2х30х31 | 68,96 -0,03 |
М20 |
ПР 319 |
300 | 25 | 72 | 240 | 72+0,1 |
70х2х30х34 | 74,15 -0,03 |
М20 |
ПР 3110 |
350 | 26 | 89 | 290 | 90+0,1 |
85х3х30х27 | 90,99 -0,03 |
М20 |
*размер для справки, вал в комплект поставки не входит
- полый гладкий выходной вал со стяжной муфтой
Габарит редуктора |
l |
l1 |
l2 |
d |
d1 |
l3* |
l4* |
d2* |
ПР 313 |
146 | 20 | 31 | 30Н7 | 45 | 25 | 36 | 30h6 |
ПР 314 |
177 | 20 | 32 | 35Н7 | 50 | 25 | 37 | 35h6 |
ПР 315 |
195 | 20 | 26 | 40Н7 | 55 | 25 | 31 | 40h6 |
ПР 316 |
208 | 20 | 38 | 40Н7 | 55 | 25 | 43 | 40h6 |
ПР 317 |
241 | 30 | 36 | 50Н7 | 70 | 35 | 41 | 50h6 |
ПР 318 |
281 | 40 | 41 | 65Н7 | 85 | 45 | 46 | 65h6 |
ПР 319 |
345 | 50 | 55 | 75Н7 | 95 | 55 | 60 | 75h6 |
ПР 3110 |
405 | 60 | 65 | 95Н7 | 118 | 70 | 75 | 95h6 |
ПР 3112 |
485 | 70 | 85 | 105Н7 | 135 | 80 | 90 | 105h6 |
ПР 3115 |
580 | 80 | 90 | 125Н7 | 155 | 90 | 100 | 125h6 |
*размер для справки, вал в комплект поставки не входит
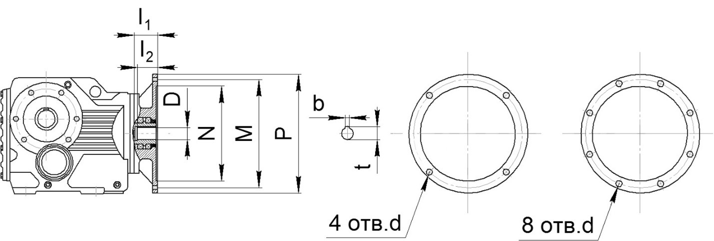
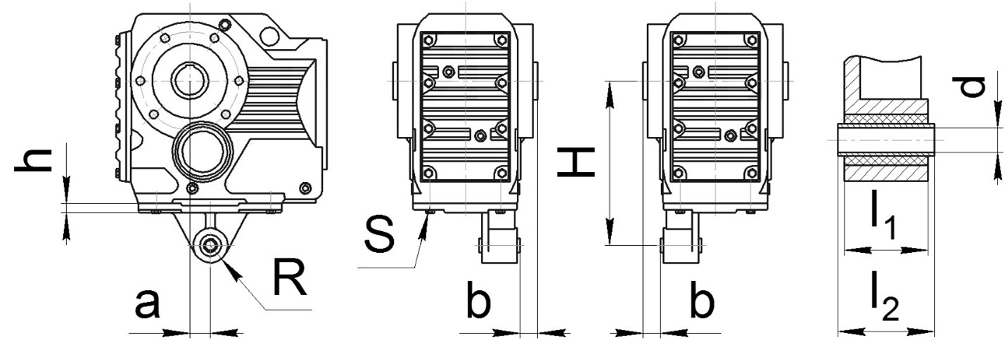
- размеры крепежных отверстий на выходном валу редукторов
- размеры реактивной тяги
Габарит редуктора |
a |
b |
H |
h |
R |
S |
l1 |
l2 |
d |
ПР 313 |
23,5 | 20 | 140 | 10 | 22,5 | М10 х 25 | 31 | 36-0,3 |
10,4+0,1 |
ПР 314 |
30 | 20 | 160 | 12 | 22,5 | М10 х 30 | 31 | 36-0,3 |
10,4+0,1 |
ПР 315 |
40 | 18 | 192 | 13 | 29 | М12 х 35 | 54 | 60-0,3 |
16,4+0,08 |
ПР 316 |
45 | 25 | 200 | 13 | 29 | М12 х 35 | 54 | 60-0,3 |
16,4+0,08 |
ПР 317 |
52,5 | 25 | 250 | 14 | 29 | М16 х 40 | 54 | 60-0,3 |
16,4+0,08 |
ПР 318 |
60 | 30 | 300 | 16 | 41 | М16 х 45 | 72 | 80-0,3 |
25+0,08 |
ПР 319 |
70 | 40 | 350 | 17 | 41 | М20 х 50 | 92 | 100-0,3 |
25+0,08 |
ПР 3110 |
74 | 45 | 450 | 20 | 41 | М24 х 60 | 92 | 100-0,3 |
25+0,08 |
ПР 3112 |
60 | 0 | 550 | 45 | 70 | М36 х 130 | 110 | 126-0,3 |
40+0,08 |
ПР 3115 |
50 | 0 | 700 | 45 | 70 | М36 х 130 | 110 | 126-0,3 |
40+0,08 |
Габарит редуктора |
a |
b |
H |
h |
R |
S |
l1 |
l2 |
d |
ПР 3112 |
60 | 0 | 550 | 45 | 70 | М36 х 130 | 110 | 126-0,3 |
40+0,08 |
ПР 3115 |
50 | 0 | 700 | 45 | 70 | М36 х 130 | 110 | 126-0,3 |
40+0,08 |
- размеры присоединительных фланцев под двигатель
|
Габарит |
PAM (* может выступать за габарит редуктора) |
N |
M |
P |
D |
l1 |
l2 |
t |
b |
4 отв. d |
8 отв. d |
| ПР 313 | 63B5 | 95 | 115 | 140 | 11 | 50 | 23 | 12.8 | 4 | M8 | - |
| ПР 313 | 71B5* | 110 | 130 | 160 | 14 | 54 | 30 | 16.3 | 5 | M8 | - |
| ПР 313 | 80B5* | 130 | 165 | 200 | 19 | 69 | 40 | 21.8 | 6 | M10 | - |
| ПР 313 | 90B5* | 130 | 165 | 200 | 22/24 | 69 | 50 | 24,5/27.3 | 6/8 | M10 | - |
| ПР 314 | 63B5 | 95 | 115 | 140 | 11 | 50 | 23 | 12.8 | 4 | M8 | - |
| ПР 314 | 71B5 | 110 | 130 | 160 | 14 | 54 | 30 | 16.3 | 5 | M8 | - |
| ПР 314 | 80B5 | 130 | 165 | 200 | 19 | 69 | 40 | 21.8 | 6 | M10 | - |
| ПР 314 | 90B5 | 130 | 165 | 200 | 22/24 | 69 | 50 | 24,5/27.3 | 6/8 | M10 | - |
| ПР 314 | 100B5 *112B5* | 180 | 215 | 250 | 28 | 81 | 60 | 31.3 | 8 | M12 | - |
| ПР 315 | 63B5 | 95 | 115 | 140 | 11 | 50 | 23 | 12.8 | 4 | M8 | - |
| ПР 315 | 71B5 | 110 | 130 | 160 | 14 | 54 | 30 | 16.3 | 5 | M8 | - |
| ПР 315 | 80B5 | 130 | 165 | 200 | 19 | 69 | 40 | 21.8 | 6 | M10 | - |
| ПР 315 | 90B5 | 130 | 165 | 200 | 22/24 | 69 | 50 | 24,5/27.3 | 6/8 | M10 | - |
| ПР 315 | 100B5 *112B5* | 180 | 215 | 250 | 28 | 81 | 60 | 31.3 | 8 | M12 | - |
| ПР 316 | 63B5 | 95 | 115 | 140 | 11 | 50 | 23 | 12.8 | 4 | M8 | - |
| ПР 316 | 71B5 | 110 | 130 | 160 | 14 | 54 | 30 | 16.3 | 5 | M8 | - |
| ПР 316 | 80B5 | 130 | 165 | 200 | 19 | 69 | 40 | 21.8 | 6 | M10 | - |
| ПР 316 | 90B5 | 130 | 165 | 200 | 22/24 | 69 | 50 | 24,5/27.3 | 6/8 | M10 | - |
| ПР 316 | 100B5 *112B5* | 180 | 215 | 250 | 28 | 81 | 60 | 31.3 | 8 | M12 | - |
| ПР 317 | 63B5 | 95 | 115 | 140 | 11 | 54 | 23 | 12.8 | 4 | M8 | - |
| ПР 317 | 71B5 | 110 | 130 | 160 | 14 | 54 | 30 | 16.3 | 5 | M8 | - |
| ПР 317 | 80B5 | 130 | 165 | 200 | 19 | 69 | 40 | 21.8 | 6 | M10 | - |
| ПР 317 | 90B5 | 130 | 165 | 200 | 22/24 | 69 | 50 | 24,5/27.3 | 6/8 | M10 | - |
| ПР 317 | 100B5* 112B5* | 180 | 215 | 250 | 28 | 81 | 60 | 31.3 | 8 | M12 | - |
| ПР 317 | 132B5* | 230 | 265 | 300 | 38 | 92 | 80 | 41.3 | 10 | M12 | - |
| ПР 318 | 80B5 | 130 | 165 | 200 | 19 | 69 | 40 | 21.8 | 6 | M10 | - |
| ПР 318 | 90B5 | 130 | 165 | 200 | 22/24 | 69 | 50 | 24,5/27.3 | 6/8 | M10 | - |
| ПР 318 | 100B5112B5 | 180 | 215 | 250 | 28 | 81 | 60 | 31.3 | 8 | M12 | - |
| ПР 318 | 132B5 | 230 | 265 | 300 | 38 | 92 | 80 | 41.3 | 10 | M12 | - |
| ПР 318 | 160B5* | 250 | 300 | 350 | 42 | 125 | 110 | 45.3 | 12 | M16 | - |
| ПР 318 | 180B5* | 250 | 300 | 350 | 48 | 125 | 110 | 51.8 | 14 | M16 | - |
| ПР 319 | 100B5112B5 | 180 | 215 | 250 | 28 | 81 | 60 | 31.3 | 8 | M12 | - |
| ПР 319 | 132B5 | 230 | 265 | 300 | 38 | 92 | 80 | 41.3 | 10 | M12 | - |
| ПР 319 | 160B5 | 250 | 300 | 350 | 42 | 125 | 110 | 45.3 | 12 | M16 | - |
| ПР 319 | 180B5 | 250 | 300 | 350 | 48 | 125 | 110 | 51.8 | 14 | M16 | - |
| ПР 319 | 200B5* | 300 | 350 | 400 | 55 | 144 | 110 | 59.3 | 16 | M16 | - |
| ПР 319 | 225B5* | 350 | 400 | 450 | 60 | 159 | 140 | 64.4 | 18 | M16 | - |
| ПР 3110 | 100B5112B5 | 180 | 215 | 250 | 28 | 81 | 60 | 31.3 | 8 | M12 | - |
| ПР 3110 | 132B5 | 230 | 265 | 300 | 38 | 92 | 80 | 41.3 | 10 | ||
| ПР 3110 | 160B5 | 250 | 300 | 350 | 42 | 125 | 110 | 45.3 | 12 | M16 | - |
| ПР 3110 | 180B5 | 250 | 300 | 350 | 48 | 51.8 | 14 | ||||
| ПР 3110 | 200B5 | 300 | 350 | 400 | 55 | 144 | 59.3 | 16 | |||
| ПР 3110 | 225B5 | 350 | 400 | 450 | 60 | 159 | 140 | 64.4 | 18 | - | M16 |
| ПР 3112 | 132B5 | 230 | 265 | 300 | 38 | 92 | 80 | 41.3 | 10 | M12 | - |
| ПР 3112 | 160B5 | 250 | 300 | 350 | 42 | 125 | 110 | 45.3 | 12 | M16 | - |
| ПР 3112 | 180B5 | 250 | 300 | 350 | 48 | 51.8 | 14 | ||||
| ПР 3112 | 200B5 | 300 | 350 | 400 | 55 | 144 | 59.3 | 16 | |||
| ПР 3112 | 225B5 | 350 | 400 | 450 | 60 | 159 | 140 | 64.4 | 18 | - | M16 |
| ПР 3112 | 250B5 | 450 | 500 | 550 | 65 | 336 | 69.4 | ||||
| ПР 3112 | 280B5 | 75 | 79.9 | 20 | |||||||
| ПР 3115 | 160B5 | 250 | 300 | 350 | 42 | 125 | 110 | 45.3 | 12 | M16 | - |
| ПР 3116 | 180B5 | 250 | 300 | 350 | 48 | 125 | 110 | 51.8 | 14 | M16 | - |
| ПР 3118 | 200B5 | 300 | 350 | 400 | 55 | 144 | 110 | 59.3 | 16 | M16 | - |
| ПР 3115 | 225B5 | 350 | 400 | 450 | 60 | 254 | 140 | 64.4 | 18 | M16 | - |
| ПР 3116 | 250B5 | 450 | 500 | 550 | 65 | 328 | 140 | 69.4 | 18 | M16 | - |
| ПР 3118 | 280B5 | 450 | 500 | 550 | 75 | 328 | 140 | 79.9 | 20 | M16 | - |
- размеры цилиндрического входного вала
G2 |
K2 |
D1 |
L1 |
L13 |
L14 |
T1 |
U1 |
M |
||
| ПР 313 | AD1 | 120 | 102 | 16 | 40 | 4 | 32 | 18 | 5 | M5 |
| ПР 313 | AD2 | 120 | 130 | 19 | 40 | 4 | 32 | 21,5 | 6 | M6 |
| ПР 314 ПР 315 ПР 316 |
AD2 | 160 | 123 | 19 | 40 | 4 | 32 | 21,5 | 6 | M6 |
| ПР 314 ПР 315 ПР 316 |
AD3 | 160 | 159 | 24 | 50 | 5 | 40 | 27 | 8 | M8 |
| ПР 317 | AD2 | 200 | 116 | 19 | 40 | 4 | 32 | 21,5 | 6 | M6 |
| ПР 317 | AD3 | 200 | 151 | 24 | 50 | 5 | 40 | 27 | 8 | M8 |
| ПР 317 | AD4 | 200 | 224 | 38 | 80 | 5 | 70 | 41 | 10 | M12 |
| ПР 318 | AD2 | 250 | 111 | 19 | 40 | 4 | 32 | 21,5 | 6 | M6 |
| ПР 318 | AD3 | 250 | 165 | 28 | 60 | 5 | 50 | 31 | 8 | M10 |
| ПР 318 | AD4 | 250 | 219 | 38 | 80 | 5 | 70 | 41 | 10 | M12 |
| ПР 318 | AD5 | 250 | 292 | 42 | 110 | 10 | 70 | 45 | 12 | M16 |
| ПР 319 | AD3 | 300 | 151 | 28 | 60 | 5 | 50 | 31 | 8 | M10 |
| ПР 319 | AD4 | 300 | 214 | 38 | 80 | 5 | 70 | 41 | 10 | M12 |
| ПР 319 | AD5 | 300 | 287 | 42 | 110 | 10 | 70 | 45 | 12 | M16 |
| ПР 319 | AD6 | 300 | 324 | 48 | 110 | 10 | 80 | 51,5 | 14 | M16 |
| ПР 3110 | AD3 | 350 | 145 | 28 | 60 | 5 | 50 | 31 | 8 | M10 |
| ПР 3110 | AD4 | 350 | 208 | 38 | 80 | 5 | 70 | 41 | 10 | M12 |
| ПР 3110 | AD5 | 350 | 281 | 42 | 110 | 10 | 70 | 45 | 12 | M16 |
| ПР 3110 | AD6 | 350 | 321 | 48 | 110 | 10 | 80 | 51,5 | 14 | M16 |
| ПР 3112 | AD4 | 450 | 193 | 38 | 80 | 5 | 70 | 41 | 10 | М12 |
| ПР 3112 | AD5 | 450 | 266 | 42 | 110 | 10 | 70 | 45 | 12 | М16 |
| ПР 3112 | AD6 | 450 | 306 | 48 | 110 | 10 | 80 | 51,5 | 14 | М16 |
| ПР 3112 | AD7 | 450 | 345 | 55 | 110 | 10 | 90 | 59 | 16 | М20 |
| ПР 3112 | AD8 | 450 | 383 | 70 | 140 | 15 | 110 | 74,5 | 20 | М20 |
| ПР 3115 ПР 3116 ПР 3118 |
AD5 | 550 | 258 | 42 | 110 | 10 | 70 | 45 | 12 | М16 |
| ПР 3115 ПР 3116 ПР 3118 |
AD6 | 550 | 298 | 48 | 110 | 10 | 80 | 51,5 | 14 | М16 |
| ПР 3115 ПР 3116 ПР 3118 |
AD7 | 550 | 292 | 55 | 110 | 10 | 90 | 59 | 16 | М20 |
| ПР 3115 ПР 3116 ПР 3118 |
AD8 | 550 | 374 | 70 | 140 | 15 | 110 | 74,5 | 20 | М20 |
- размеры малого выходного фланца
Габарит редуктора |
d | D | b | n | m |
ПР 313 |
80j6 | 110 | 11,5 | 12 | M8 |
ПР 314 |
80j6 | 120 | 11 | 12 | M8 |
ПР 315 |
105j6 | 155 | 12 | 20 | M12 |
ПР 316 |
105j6 | 155 | 12 | 20 | M12 |
ПР 317 |
125j6 | 170 | 14 | 20 | M12 |
ПР 318 |
155j6 | 215 | 15 | 26 | M16 |
ПР 319 |
180j6 | 260 | 18 | 26 | M16 |
ПР 3110 |
210j6 | 304 | 22 | 30 | M20 |
ПР 3112 |
250j6 | 350 | 30 | 28 | M20 |
ПР 3115 |
290j6 | 400 | 28 | 36 | M24 |

Габаритные и присоединительные размеры ПР 3116-ПР 3118


Условные обозначения
Мотор-редуктор ПР 318 (Ц)-27,88-51-5,5*1500.M1.SS1.F1.TA1 |
||||||||
ПР318 |
(Ц) |
27,88 |
51 |
5,5*1500 |
M1 |
SS1 |
F1 |
TA1 |
| Модель и типоразмер редуктора | Исполнение вала редуктора | Передаточное число | Обороты на выходном валу редуктора Nвых, об/мин | Мощность и обороты электродвигателя | Монтажное исполнение | Направление выходного вала | Направление выходного фланца | Исполнение с резиновым буфером |
Модели редукторов
Модель редуктора |
Особенности исполнения |
|
ПР 31 (Ц) |
|
Выходной цилиндрический вал Монтаж редуктора c помощью крепежных отверстий на корпусе редуктора |
ПР 31 (П) |
|
Полый выходной вал со шпоночным пазом Монтаж редуктора c помощью крепежных отверстий на корпусе редуктора, либо на вал оборудования |
ПР 31 (ФЦ) |
|
Выходной цилиндрический вал Монтаж редуктора с помощью фланца на выходном валу (типоразмер выходного фланца B5) |
ПР 31 (ФП) |
|
Полый выходной вал со шпоночным пазом Монтаж редуктора с помощью фланца на выходном валу (типоразмер выходного фланца B5) |
ПР 31..ПР 11 |
|
На редуктор установлен цилиндрический мотор-редукторсерии ПР 11 (вместо электродвигателя) |
Монтажные положение и места установки сапунов
Стандартный корпус
Символ |
Расшифровка |
|
Сапун |
![]() |
Смотровое окно |
![]() |
Маслосливная пробка |
Корпус В
Символ |
Расшифровка |
|
Сапун |
![]() |
Смотровое окно |
![]() |
Маслосливная пробка |
Редукторы ПР3116 и ПР3118
Символ |
Расшифровка |
|
Сапун |
![]() |
Смотровое окно |
![]() |
Маслосливная пробка |
Общее описание и применение
Мотор-редукторы серии ПР3 (аналог серии К) представляют собой коническо-цилиндрические редукторы с жесткой зубчатой передачей, обеспечивающей высокий КПД и долговечность работы.
Их конструкция позволяет передавать высокий крутящий момент при минимальных энергопотерях, что делает их эффективным решением для промышленных задач.
Применение мотор-редукторов серии ПР3:
- Конвейерные системы — используются для привода ленточных и роликовых транспортеров.
- Металлургическая и горнодобывающая промышленность — применяются в дробильном и сортировочном оборудовании.
- Сельскохозяйственная техника — необходимы в зерносушилках, кормораздатчиках и мельницах.
- Лифтовое и подъемное оборудование — требуются в приводах лебедок и подъемников.
- Производственные линии — применяются в упаковочном, смесительном и перерабатывающем оборудовании
Благодаря высокой эффективности, прочному корпусу и удобству монтажа редукторы этой серии успешно применяются в сложных условиях эксплуатации.
Эксплуатационные характеристики
Мотор-редукторы серии ПР3 (аналог К) обладают отличными техническими характеристиками, которые обеспечивают их надежную работу:
- Передаточные числа – от 5,36 до 17550
- Крутящий момент – до 62800 Н·м
- Мощность двигателей – от 0,12 до 200 кВт
- Материал корпуса – чугун (литье повышенной прочности).
- Способы установки – на лапах, фланцевый или насадной монтаж.
- Система смазки — жидкостная (с минеральными маслами), увеличивающая срок службы.
Конструкция редукторов минимизирует потери энергии и снижает уровень шума при эксплуатации, что делает их оптимальным выбором для промышленных предприятий.
Преимущества использования
Выбирая мотор-редукторы серии ПР3, вы получаете:
- Высокую энергоэффективность
Минимальные потери мощности благодаря оптимизированной зубчатой передаче; - Компактность и удобный монтаж
Возможность установки в ограниченном пространстве; - Долговечность
Надежные материалы и прецизионная обработка элементов обеспечивают длительный срок службы; - Широкую сферу применения
Мотор-редукторы этого типа подходят для множества отраслей промышленности; - Простоту в обслуживании
Удобный доступ к компонентам для технического осмотра и ремонта.
Эти преимущества делают редукторы серии ПР3 надежным и экономичным решением для промышленных предприятий.
Наше предложение
Компания "Промышленные редукторы" предлагает мотор-редукторы серии ПР3 с гарантией качества и выгодными условиями сотрудничества.
Мы обеспечиваем:
- Оригинальное оборудование высокого качества.
- Подбор редукторов под индивидуальные задачи клиента.
- Быструю доставку в любой регион.
- Техническую поддержку и консультации.
Обратитесь к нам, и мы поможем вам выбрать оптимальное оборудование для вашего производства!
Ключевые преимущества редукторов серии ПР
Видео-отзывы
Ознакомиться с отзывами
Команда экспертов
по приводной технике
Луканина Наталья
Руководитель отдела продаж
Шишук Виктория
Руководитель фронт-линии
Сиражетдинов Дмитрий
Руководитель отдела клиентского сервиса
Снигир Олег
Ведущий менеджер по продажам
Киселев Егор
Менеджер по продажам
Друченко Александр
Менеджер по продажам
Новиков Максим
Менеджер по продажам
Тыщенко Иван
Менеджер по продажам
Уржунцев Александр
Менеджер по продажам
Мы не просто продаём редукторы — нам доверяют, потому что решаем задачи быстро и точно
Вопрос-ответ
Читайте наши статьи о мотор-редукторах и их применении
Оставьте свои контактные данные и наши специалисты свяжутся с вами в течение 15 минут.

